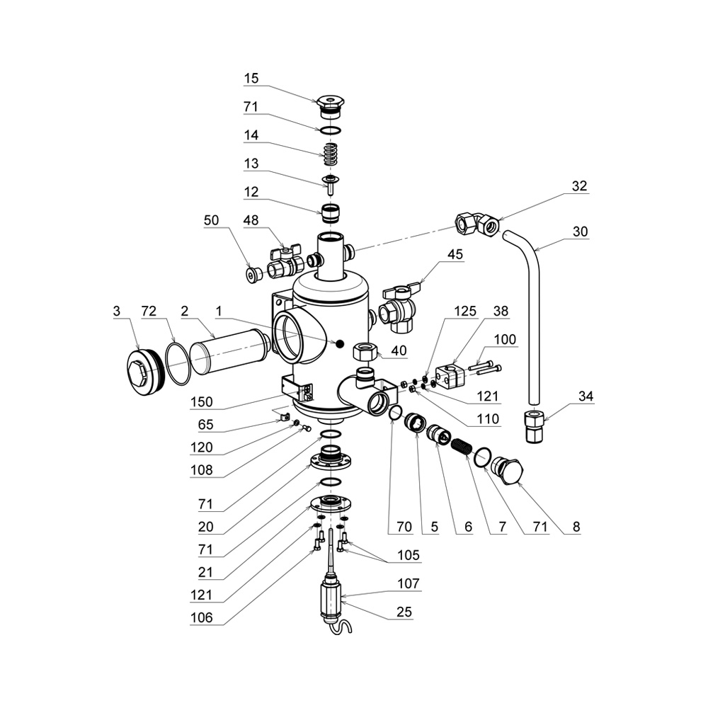
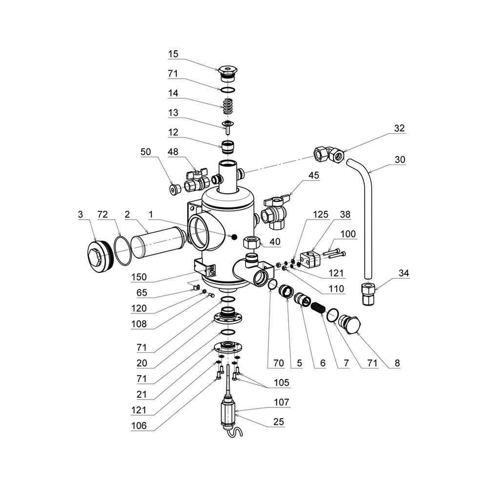
Сепаратор LPG N 821.20/ATC
Наличие на складах
- 
																																					Общий остаток на складах:
								уточнить у менеджера
 
Сепаратор сжиженного углеводородного газа предназначен для отделения паровой фазы газа от жидкой и фильтрации от шлака, который может повредить объемно или массовый кориолисовый расходомер и другие элементы колонки. 
В комплектации предусмотрен реостатный датчик температуры, осуществляющий автоматическую температурную коррекцию (ATK). Датчик позволяет регулировать расход топлива в режиме реального времени  в зависимости от температуры топлива.
 Отделение жидкой фазы от паровой позволяет контролировать точность измерения расхода жидкого топлива. Сепарированная паровая участвует в работе дифференциального клапана и отводится через обратный клапан обратно в резервуар.
В случае выхода из строя сепаратора нарушается нормальная подача жидкого топлива.
- Бренд производителя
- Adast
- Артикул
- 429201578
- Гарантия
- 12 месяцев
- Модель колонки (год)
- Minor 8991.623/LPG (2016-2021) / Popular RS 8991.622/LPG (2016-2017) / Popular RS 8991.622/LPG (2018-2021) / Popular RS 8991.622/LPG/M (2018-2021) / Popular RL 8994.622/LPG (2007-2015) / Popular RL 8994.622/LPG (2016-2021) / Popular RS 8995.xxx/LPG (2016-2021) / Popular RS 8995.xxx/LPG (2007-2015) / 8690.H22/LPG 2.2 / 8690.H12/LPG 2.2
- Сепаратор
- N 821.20 ATC
- Страна производитель
- Чешская Республика
